IBM SLT Reference Wiki

361453 AND-OR-Invert[]

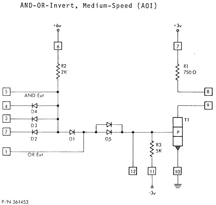
361453 AND-OR-Invert, Medium-Speed (AOI)













The AOI module consists of a three-way diode positive AND function and one diode for an OR function, followed by a saturating transistor inverter.
Pins 2, 3, and 4 are the AND inputs.
Pin 5 will extend the fan-in to the AND by connecting it to the common anode diodes of the FDD module.
Pin can extend the OR fan-in from the OR diode of the AOX module.
The maximum OR fan-in is 5.
The output pins, 8 and 9, are connected together on the card for most applications; however when collectors are dotted (wire-ORed), only one collector resistor may be connected to retain the specified fan-out capability.
The AOI can drive a maximum of 5 AOI circuits (low speed) or 7 AI/AOI circuits (medium speed).

<--- Back